Tự động hóa vi mô và Robot 6 trục
Bạn cần bao nhiêu không gian cho Robot 6 trục?
Nếu bạn là một nhà sản xuất tự động hóa và có ý định sử dụng cánh tay robot 6 trục, chẳng hạn như Mecademia, Meca500 được sử dụng trong hướng dẫn này làm ví dụ. Bạn có thể quan tâm nhất đến việc định vị và định hướng công cụ Robot (đầu cuối) ở nhiều vị trí khác nhau.
Do đó, nếu bạn chắc chắn muốn biết tập hợp các vị trí mà bạn có thể tiếp cận với một bộ phận đầu cuối cụ thể được gắn trên một cánh tay robot 6 trục cụ thể. Bạn có thể yêu cầu một số loại sơ đồ hiển thị khu vực làm việc, khối lượng làm việc, phạm vi làm việc của các robot.
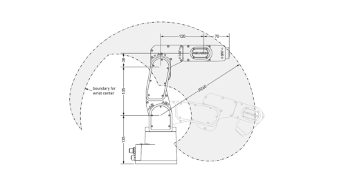
Và thật không may, bạn sẽ thường được trình bày với một sơ đồ đơn giản giống như sơ đồ được hiển thị ở dưới đây, hoặc tệ hơn nữa là cái gọi là “tầm với của robot”.

Trong robotics, thuật ngữ thích hợp cho những gì bạn đang tìm kiếm là “không gian làm việc”. Tầm với không có gì ngoài khoảng cách tối đa giữa trung tâm cổ tay của robot (điểm giao nhau giữa các trục của 3 khớp cuối cùng của robot) và trục của khớp thứ nhất. Vùng có màu xám trong hình trên đây là vùng có thể đạt được của cổ tay trung tâm, cho một vòng quay nhất định của khớp thứ nhất. Khu vực này, hoặc thậm chí khả năng bị quét bằng cách xoay khu vực này về trục của khớp thứ nhất, không phải là không gian làm việc của robot.
Hoàn toàn không có gì đảm bảo rằng bạn có thể đạt được một vị trí trong tập này chứ đừng nói đến việc đạt đến vị trí đó với bất kỳ định hướng nào. Trên thực tế, nếu bạn gắn một bộ kết thúc tương đối dài, bạn sẽ không chạm tới bất kỳ vị trí nào bằng đầu công cụ của bạn. Không gian làm việc của robot 6 trục là tập hợp tất cả các tư thế (bao gồm vị trí và hướng) có thể đạt được bởi một bộ phận đầu cuối cụ thể được gắn trên robot đó. Do đó, (1) không ai có thể cho bạn biết không gian làm việc của cánh tay robot 6 trục cụ thể là gì, trừ khi bạn chỉ định phần đầu cuối mà bạn định sử dụng là gì và: (2) không gian làm việc đó là một thực thể 6 chiều. Điều đó thường không thể biểu thị bằng đồ họa.
“Không gian làm việc của robot 6 trục là tập hợp tất cả các tư thế có thể đạt được bởi một bộ phận đầu cuối cụ thể được gắn trên cánh tay robot đó.”
Tất nhiên, có một vài trường hợp ngoại lệ trong lĩnh vực robot, khi nói đến việc thể hiện bằng đồ họa. Không gian làm việc của một robot 6 trục như hình minh họa bên dưới . Robot 6 trục này có thể định vị công cụ của nó ở bất cứ đâu trong khối lập phương màu vàng, theo bất kỳ hướng nào của công cụ.

Hình ảnh phía trên là robot Cartesian. Nhưng phần lớn các robot công nghiệp 6 trục không phải là loại này. Cánh tay robot 6 trục điển hình, thường được gọi một cách kỳ lạ là một robot có khớp nối theo chiều dọc, bao gồm 7 liên kết được kết nối thành chuỗi thông qua 6 khớp xoay tròn. Đầu tiên phải kể đến chân Robot(base), và cuối cùng là mặt bích Robot (còn gọi là giao diện cơ học).
Ngoài ra, trục của khớp thứ nhất là thẳng đứng, trục của khớp 2 và 3 nằm ngang, trục của khớp 4 là bình thường với trục của khớp 3 và trục của 3 khớp cuối thường giao nhau tại một điểm. Mặc dù cánh tay robot công nghiệp thường được bán mà không có bất kỳ dụng cụ nào, một bộ phận đầu cuối (như dụng cụ, cơ cấu kẹp, gắp, hút hoặc đầu dò cảm ứng) được gắn vào mặt bích Robot. Sau đó, người dùng phải liên kết một khung tham chiếu công cụ, được cố định với bộ lọc cuối này. Khung tham chiếu công cụ này được xác định đối với khung tham chiếu mặt bích. Nguồn gốc của khung tham chiếu công cụ được gọi là TCP (điểm trung tâm công cụ).
Vậy nên bạn phải quan tâm đến tập hợp các tư thế liên quan đến khung tham chiếu cơ sở Robot, nơi robot có thể mang khung tham chiếu công cụ cụ thể. Không gian làm việc của robot là tập hợp các tư thế có thể đạt được bằng khung tham chiếu công cụ Robot.
Trong một cánh tay robot 6 trục điển hình, chẳng hạn như Meca500, dù là bộ phận đầu cuối, cho từng vị trí khả thi của TCP, phạm vi định hướng công cụ có thể đạt được là hoàn toàn khác nhau do nhiễu cơ học, giới hạn khớp và giới hạn độ dài liên kết .
Trên đỉnh khớp nối cao giữa định vị và khả năng định hướng của cánh tay robot 6 trục điển hình, những robot này có cái được gọi là điểm kỳ dị- singularities. Trong một điểm kỳ dị, robot không thể di chuyển theo một số hướng nhất định. Đây là một trở ngại vật lý, không phải là một loại vấn đề toán học nào đó và hoàn toàn tất cả các cánh tay robot 6 trục đều có điểm kỳ dị này.
Ví dụ, khi tất cả các khớp trong Meca500 đều ở mức 0 độ, như trong hình bên trái bên dưới, bộ kết thúc Robot không thể di chuyển dọc theo một đường thẳng song song với trục y cơ sở (đường có màu xanh lá cây trong hình). Để di chuyển dọc theo đường này, các khớp 4 và 6 sẽ phải xoay ± 90 ° trước (xoay theo hướng đối diện).

Điểm kỳ dị là một hiện tượng rất quan trọng (hay đúng hơn là phiền toái) trong robot và sẽ được xử lý trong một lưu ý. Ở đây, đủ để nói rằng ngay cả khi một đường dẫn nằm trong không gian làm việc của robot, như trong ví dụ trên, khung tham chiếu công cụ của robot có thể không thể theo dõi liên tục (nghĩa là không được tạm dừng chuyển động của TCP).
Do đó, các điểm kỳ dị của robot giới hạn hơn nữa các part có thể sử dụng của không gian làm việc Robot.Trong thực tế, không gian làm việc của một cánh tay robot 6 trục điển hình là sự kết hợp của một số tập hợp không gian làm việc không có điểm kỳ dị. Các không gian làm việc này lại được phân tách bằng chính các điểm kỳ dị. Robot có thể di chuyển bất cứ nơi nào trong tổng không gian làm việc, ở chế độ chung. Nhưng chỉ trong một trong các tập hợp không gian làm việc không có điểm kỳ dị (tức là khi TCP của nó liên tục đi theo một đường dẫn cụ thể).
Không gian làm việc của một cánh tay robot 6 trục điển hình là sự kết hợp của một số tập hợp không gian làm việc không có điểm kỳ dị, được phân tách bằng các điểm kỳ dị.
Mỗi tập hợp không gian làm việc không có điểm kỳ dị này tương ứng với một cấu hình robot cụ thể. Bạn hãy lưu ý rằng nếu một tư thế nhất định dường như không thể truy cập được với cấu hình robot hiện tại, nó có thể được truy cập bằng cấu hình khác.
Ví dụ, chỉ có thể đạt được khung tham chiếu công cụ trong hình bên dưới trong một trong 8 cấu hình robot. Tuy nhiên, một lỗi phổ biến là chỉ xem xét một trong các tập hợp không gian làm việc không có số ít thay vì tổng số không gian làm việc (nghĩa là chỉ làm việc trong 1 trong 8 chế độ cấu hình).
Lưu ý rằng nếu bạn chỉ định một tư thế sử dụng tọa độ X, Y, Z và góc Euler và sau đó sử dụng lệnh MovePose, robot sẽ tự động tìm cấu hình tốt nhất. Thật không may, tuy nhiên, người dùng thường dạy các vị trí robot bằng cách nhắc lại, thay vì chỉ định một tư thế.

Thông thường, người dùng đã có sẵn một bộ các hiệu ứng cuối để đạt được cho ứng dụng đã cho của họ. Ví dụ, một phôi phải được lấy từ một băng tải, sau đó được đặt trước camera theo nhiều hướng khác nhau, và cuối cùng được đặt trên một băng tải khác.
Tìm vị trí tối ưu cho camera, cài đặt tối ưu của tay cầm và thiết kế tối ưu cho các ngón tay, là điều không quan trọng. Thật không may, cho đến nay, không có quy trình tự động thương mại để tìm thiết kế ô tối ưu – phương pháp duy nhất là bằng thử nghiệm và rút ra kinh nghiêm với các lỗi có thể có.
May mắn thay, bạn không cần phải có thiết lập thực sự cho việc này; bạn có thể sử dụng phần mềm mô phỏng như RoboDK. Tức là, bạn vẫn cần một số kỹ năng robot, nếu không bạn có thể phải dành rất nhiều nỗ lực cho thử nghiệm và lỗi.
Do đó, trong phần tiếp theo, chúng tôi sẽ cung cấp cho bạn:
10 lưu ý để sử dụng tốt nhất không gian làm việc cho cánh tay Robot công nghiệp của bạn.
Những lưu ý này áp dụng cho bất kỳ cánh tay robot 6 trục điển hình nào.
Lưu ý 1: Đặt TCP của bạn càng gần mặt bích Robot càng tốt
Trong kiểm tra, điều khá phổ biến là phải trình bày một phần trước máy ảnh với phạm vi định hướng lớn. Trong một ứng dụng như vậy, quy tắc đầu tiên là đặt khung tham chiếu dao gần nhất có thể với khung tham chiếu mặt bích. Nói cách khác, bạn phải thiết kế một hệ thống kẹp cho phép bạn kẹp chặt phần cần kiểm tra càng gần càng tốt với mặt bích của Robot.
Đối với một số ứng dụng, có thể thiết kế tấm bộ điều hợp của riêng bạn để gắn bộ kẹp theo cách sao cho các ngón tay và trục của khớp 6 nằm trong một mặt phẳng hoặc gắn bộ kẹp dọc theo trục của khớp 6. Một cách khác có thể là sử dụng ngón tay hình chữ L.
Lưu ý 2: Không di chuyển trong chế độ Cartesian trừ khi đi theo một đường dẫn
Trong kiểm tra, bạn thường cần xoay một sản phẩm theo các hướng khác nhau. Tất nhiên, trong những trường hợp này, việc sử dụng lệnh MoveLinRelTRF hoặc chạy robot ở chế độ Cartesian sẽ dễ dàng hơn nhiều. Tuy nhiên, cả hai cách tiếp cận đều thất bại nếu một điểm kỳ dị xuất hiện dọc theo vòng quay, như trong ví dụ minh họa trong hình dưới đây. Khi đó, bạn không thể xoay đầu cuối về trục Y của nó (trục màu xanh lá cây) ở góc 90 °, vì điểm kỳ dị (trục của khớp 4 và 6 trở nên thẳng hàng).
Do đó, bạn phải học cách sử dụng các góc Euler và sử dụng lệnh MovePose thay thế. Ngoài ra, bạn có thể sử dụng RoboDK. Vì RoboDK là một trình giả lập, nó cho phép bạn vượt qua các điểm kỳ dị trong chế độ của Cartesian. Bất kể điểm kỳ dị, luôn sử dụng các lệnh MovePose hoặc MoveJoints trừ khi bạn muốn TCP của mình đi theo một đường dẫn cụ thể. Việc sử dụng các lệnh này thường dẫn đến thời gian chu kỳ nhanh nhất.

Lưu ý 3: Nếu cáp hạn chế khớp 6 quá nhiều, hãy căn chỉnh các trục của khớp 1, 4 và 6
Mặc dù khớp 6 không giới hạn về mặt cơ học, nhưng nếu bạn sử dụng đầu nối có gắn cáp, phạm vi của khớp 6 sẽ bị giới hạn trong khoảng ± 180 ° hoặc thậm chí ít hơn. Nếu bạn cần nhiều phạm vi hơn, bạn có thể căn chỉnh trục của khớp 4 và 6 hoặc thậm chí của khớp 1, 4 và 6. Tất nhiên, cấu hình như vậy sẽ là số ít, vì vậy bạn sẽ cần sử dụng lệnh MoveJoints để xoay quanh các trục bị trùng.
Lưu ý 4: Nếu bạn sử dụng thiết bị đầu cuối có dây cáp, hãy giữ khớp 6 càng gần càng tốt đến 0 độ
Bất cứ khi nào có thể, ở tư thế mong muốn, cố gắng giữ khớp 6 càng gần 0 độ càng tốt. Ví dụ, nếu bạn lấy một phôi ở vị trí robot trong đó khớp 6 ở 170 °, và sau đó thực hiện lệnh MovePose, khớp 6 có thể sẽ xoay rất nhiều. Ví dụ, nếu ở tư thế mong muốn mới, khớp 6 có thể ở 190 °, robot sẽ tự động xoay khớp cuối cùng 340 ° theo hướng ngược (thay vì 20 ° theo hướng xuôi).
Lưu ý 5: Nếu bạn cần định hướng nhiều, hãy đặt TCP của bạn trên trục của khớp 1
Nếu bạn cần bao quát một phạm vi định hướng rộng, thì bạn phải đặt TCP của mình trên trục khớp 1. Cấu hình như vậy sẽ cho phép bạn xoay ± 175 ° về trục của khớp 1 và ± 180 ° về trục khớp 6. Càng xa trung tâm của cổ tay robot từ khớp 1, khả năng định hướng của robot càng ít.

Lưu ý 6: Thử tất cả các cấu hình robot
Đôi khi, robot sẽ quá gần với một điểm kỳ dị trong một hoặc nhiều tư thế đầu cuối cần đạt được. Trong một ứng dụng kiểm tra, đó có thể không phải là vấn đề, nhưng nếu bạn cần chọn hoặc đặt một đối tượng, thì có lẽ bạn cần phải đến và rời khỏi tư thế cuối cùng trong chế độ tuyến tính. Trong trường hợp như vậy, kiểm tra tất cả các cấu hình robot có thể và chọn một cấu hình xa nhất từ các điểm kỳ dị. Ví dụ, trong hình dưới đây, cấu hình bên trái quá gần với điểm kỳ dị (trục 4 và 6 gần như thẳng hàng), nhưng cấu hình bên phải đủ xa so với điểm kỳ dị.
Lưu ý 7: Cân nhắc nhiều hơn là chỉ đạt được
Như chúng tôi đã đề cập, không gian làm việc của cánh tay robot 6 trục là một tập hợp các không gian làm việc được phân tách bằng các điểm kỳ dị. Trên hết, không phải tất cả các tư thế có thể đạt được đều tốt như nhau. Thật vậy, không gian làm việc của cánh tay robot 6 trục rất không đồng nhất, về tiêu chí hiệu suất như tốc độ và độ chính xác. Chúng tôi đã đề cập rằng bạn cần phải tránh càng xa càng tốt từ điểm kỳ dị, khi di chuyển trong chế độ Cartesian. Ngoài ra, cánh tay robot càng căng, độ chính xác của nó càng kém và càng mất nhiều thời gian hơn để triệt tiêu các rung động tại tooltip.
Lưu ý 8: Tận dụng sự dư thừa của Robot nếu bạn không cần phải có 6 bậc tự do
Trong nhiều trường hợp, bạn chỉ cần 5 bậc tự do. Ví dụ, nếu bộ phận đầu cuối của bạn là bộ phân phối keo hoặc trục chính, bạn có thể không quan tâm đến việc định hướng nó. Ngoài ra, nếu bạn kiểm tra phôi bằng cảm biến đối xứng trục như máy ảnh, trong nhiều trường hợp, bạn có thể trình bày phôi trong bất kỳ góc quay nào về trục của cảm biến. Trong những trường hợp này, không căn chỉnh trục của khớp 6 với trục đối xứng của công cụ hoặc cảm biến của bạn và chọn vị trí tốt nhất trong vô số vị trí robot cho từng tư thế cần đạt được. Tốt nhất có nghĩa là xa các điểm kỳ dị, nhưng cũng gần nhất với các tư thế trước và thành công cần đạt được.
Lưu ý 9: Cố định cánh tay robot 6 trục của bạn ở tư thế thẳng đứng, trừ khi thực sự cần thiết
Như hầu hết các robot công nghiệp, Meca500 có thể được gắn vào bất kỳ hướng nào (ví dụ: treo ngược hoặc gắn trên tường). Vấn đề duy nhất với bất kỳ cụm robot được gắn không thẳng đứng nào là bạn cần một vật cố định rất chắc chắn, điều này có thể làm cho robot của bạn trở nên cồng kềnh và tốn kém hơn. Do đó, chỉ chọn phương án gắn robot không thẳng đứng sau khi đã cố gắng để có một robot thẳng đứng nhưng không được.
Lưu ý 10: Mài rìu 7 lần trước khi dùng
Câu nói tiếng Anh có nghĩa là “mài rìu 2 lần trước khi cắt” nhưng khi nói đến thiết kế cell robot, hãy chọn phiên bản tiếng Nga: “mài rìu 7 lần trước khi cắt”. Nếu cell của bạn tương đối phức tạp hoặc không gian làm việc của robot của bạn dường như bị hạn chế, bạn phải sử dụng gói mô phỏng robot và trải qua nhiều lần lặp lại thiết kế cho đến khi bạn tìm thấy một giải pháp thỏa đáng. Tuy nhiên, không hoàn toàn dựa vào mô phỏng. Gói mô phỏng chung như RoboDK không mô phỏng hành vi chính xác của robot.
Ví dụ, một chuyển động tuyến tính cụ thể có thể thực hiện được trong RoboDK, nhưng không thể làm trên một robot thật, vì các điểm kỳ dị. Do đó, bạn cũng phải thử chương trình của mình trên robot thật. Tóm lại, trừ khi ứng dụng của bạn chỉ liên quan đến một vài chuyển động lặp đi lặp lại, bạn phải hiểu đầy đủ không gian làm việc của robot và dành một thời gian đáng kể để thiết kế cell robot của bạn. Thiết kế cell robot không chỉ là khả năng thực hiện tất cả các chuyển động của robot, mà còn là tối ưu hóa thời gian chu kỳ và các tiêu chí hiệu suất khác (độ chính xác, mức tiêu thụ năng lượng).
Nguồn: Surecontrols


